Depuis hier, j'essaye d'ajouter le module ESP-7 à mes expériences d'alimentation intermittente par l'horloge.
J'ai voulu tout d'abord tester l'ESP seul avant de l'ajouter à la chaîne horloge + P-Channel MOSFET + Atmega328.
Cette fois, c'est moi qui suis complètement dans le cirage !
Je ne parviens pas à établir le contact avec mes 3 modules montés sur adaptateur pour breadboard.
Voici ce que j'ai fait, quelque fois que quelqu'un verrais une bêtise qui m'échappe.
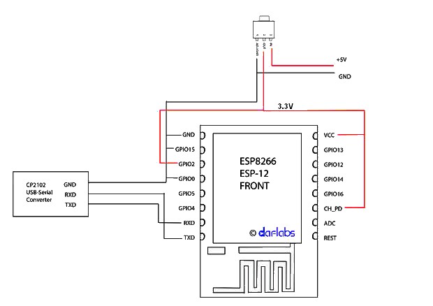
Tout d'abord, le branchement du module ESP. J'ai suivi le schéma suivant:
			
		
				
			 
- Connexions pour commandes AT.jpg (30.48 Kio) Vu 9490 fois
 
- VCC, CH_PD et GPIO2 connecté à 3.3V fourni par une alimentation spécifique de braedboard
- GND, GPIO0 et GPIO15 connecté à GND de l'alimentation et à GND du convertisseur USB-Serial à base de CP2102
- Rx et Tx connectés au convertisseur USB-Serial