Après une courte absence (à peine 1 an et demi

Disclaimer : malgré un certain acharnement de ma part, je reste très trop novice en ce qui concerne l'électronique avec circonstance aggravante : un manque de temps chronique depuis quelques années... Bref je compte sur votre aide et surtout sur votre indulgence

Projet :
Ayant un serveur tout neuf, plus gros que l'ancien, ma baie fait-maison a tendance à chauffer bien plus rapidement... et c'est pas encore l'été...
De même, changement de domicile oblige, j'aimerai avoir un certain nombre de capteurs environnementaux (donc température mais aussi inondation, incendie, what else ?... )
Pour le coup, je me suis dit qu'un montage électronique me permettrait de gérer tout cela via un Raspberry (chouette du python !!! \o/ ).
Un critère important, le système devra fonctionner en continu...
Ingrédients principaux :
- Un Raspberry Pi (avouez que vous l'attendiez celui-là :p )
- Une alimentation ATX de PC (450W... un peu surdimensionné n'est-ce pas ? mais c'est la seule que j'ai de dispo et sous le coude)
- Des capteurs de températures en 1-wire : DS18B20 ( https://datasheets.maximintegrated.com/ ... S18B20.pdf )
- Des ventilateurs : 4 x ARCTIC F12 PWM PST CO - 120 mm
- Des "compteurs" avec mémoire 4kbit en 1-wire : DS2423 ( https://datasheets.maximintegrated.com/en/ds/DS2423.pdf )
- Un contrôleur PWM : PCA9685 ( https://cdn-shop.adafruit.com/datasheets/PCA9685.pdf )
- quelques composants : résistances, led , transistor/mofset...
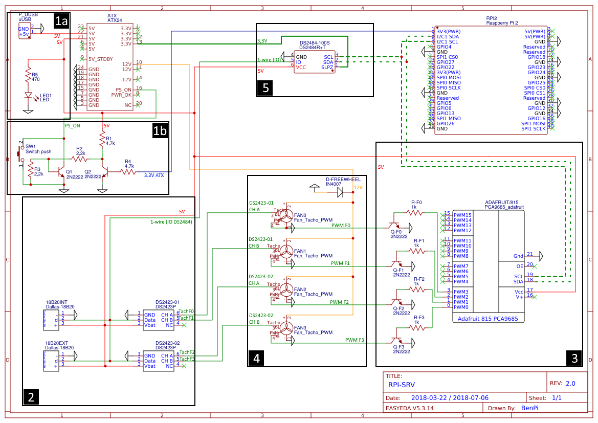
En pièce-jointe le schéma du montage (avec 3 zones identifiés) :
Ca parait simple comme cela, mais cela m'a pris quelques jours (-:
1_ Alimentation
Je me suis inspiré du montage ci-joint : https://www.firediy.fr/article/alimente ... omme-un-pc
PS_ON, +5V et +12V (hors cadre 1 pour ce dernier) viennent de l'alimentation ATX
2_ Capteurs
J'ai tenté de tout avoir sur le bus 1-wire
2 capteurs de température : température dans la pièce et température dans la baie
2 compteurs 2 voies soit 4 voies : compte les retours des tachomètres des ventilateurs, permet d'identifier les RPM et détecter les pannes
3_ PWM
Afin d'éviter tout comportement problématique des ventilos suite à une surcharge du RPI, je souhaite un controleur PWM hardware. Le PCA9685 semble remplir cette fonction.
J'aimerai passer en revu chacune des parties avec vous afin d'éviter de liquider dès maintenant mon budget Rpi cramé

Mes questions :
- Y-a-t'il des erreurs dans mon montage ?
- Puis-je relier toutes les masses entre-elles ? ou chaque circuit doit avoir sa propre masse (je pense notamment aux différences entre les circuits verts de signaux, rouge de +5V et jaune de +12V) ?
- Est-ce que les diodes de roue libre des ventillos sont utiles ? (dans le doute je les ai mis mais leur usage dans ce contexte ne me parait pas flagrant)
- Ai-je raison de mettre des transistors dans la zone 1 du fait de peu de changement d'état ? Et mettre des mofsets dans la zone 3 (changement d'états rapides, PWM oblige) ?
- Je ne suis pas parvenu à comprendre si je devais mettre une résistance pour chaque canal de la zone 3 (entre LEDn et le mosfet associé) ? Mon instint me dit que oui si je ne veux pas que cela sente le roussi, mais à la lecture du datasheet, je vois bien que je ne comprends rien...
- Il est déconseillé d'utiliser le DS2423 dans de nouveaux projets parait-il, mais je n'ai pas trouver de remplaçant en 1-wire. Ai-je bien su chercher ? dois-je impérativement trouver une alternative ?
- Y-a-t'il d'autres questions importantes à se poser ?
Comme vous pouvez le constater, ce projet est... assez ambitieux... Mais je n'ai pas d'alternative pour le moment.
Bien entendu, si tout cela venait à fonctionner, d'autres features verraient le jour (oui les innondations tout ça tout ça).
Merci d'avance pour votre aide
PS : si besoin
DS2423 : https://datasheets.maximintegrated.com/en/ds/DS2423.pdf
DS18B20 : https://datasheets.maximintegrated.com/ ... S18B20.pdf
PCA9685 : https://cdn-shop.adafruit.com/datasheets/PCA9685.pdf